提供專業控制閥解決方案! 銷售熱線:021-51863046
上海川滬閥門有限公司
ShangHai Chuanhu Valve CO.,LTD
我們做的不僅是產品還是解決方案
川滬閥門品牌:電動球閥、電動蝶閥、氣動球閥、氣動蝶閥、電動調節閥、氣動調節閥
自力式調節閥、快速切斷閥、低溫閥門、耐腐蝕閥門、衛生級閥門、截止閥、閘閥
電動執行器、氣動執行器
氣動開關蝶閥
一、氣動開關蝶閥 產品概述
上海川滬閥門有限公司生產的氣動切斷蝶閥是采用三偏心金屬硬密封結構或者橡膠軟密封結構的蝶閥與高引進型氣動活塞式執行器組成。氣動切斷蝶閥適用于兩位開關、切斷的場合,也稱為氣動開關蝶閥。氣動切斷蝶閥外配行程限位開關、電磁閥、三聯件及0.4-0.7MPa氣源可實現開關操作,并送出二對無源觸點信號指示閥門的開關。氣動開關蝶閥是以壓縮空氣為動力,閥桿帶動閥芯在閥體內轉動90℃,可以實現全開——全閉的動作。該閥門按其密封性能分為金屬密封與軟密封。
特點:
1.結構緊湊,體積精小。
2.運行可靠,密封性好。
3.維修容易,安裝方便,適應性強。
適用場景:
氣動開關蝶閥廣泛應用于石油、化工、輕工、制藥、造紙、汽車等工業自動控制系統中作遠距離集中控制或就地控制。
二、氣動開關蝶閥 產品圖片
![]() |
![]() |
| 氣動開關蝶閥(軟密封對夾式) | 氣動開關蝶閥(軟密封法蘭式) |
三、氣動開關蝶閥 零部件材料
| 零件名稱 | 材料名稱 |
|---|---|
| 閥體 | 鑄鐵、鑄鋼、不銹鋼、鉻鉬鋼、合金鋼 |
| 蝶板 | 鑄鋼、合金鋼(鍍硬鉻)、不銹鋼、鉻鉬鋼 |
| 密封圈 | 橡膠、PTFE、PPL、不銹鋼、聚內脂、抗磨材料 |
| 閥桿 | 2Cr13、1Cr13不銹鋼、鉻鉬鋼 |
| 填料 | 聚四氟乙烯、柔性石墨 |
四、氣動開關蝶閥 技術參數
| 公稱通徑 mm | 50 | 65 | 80 | 100 | 125 | 150 | 200 | 250 | 300 | 350 | 400 | 450 | 500 | 600 | 700 | 800 | 900 | 1000 |
|---|---|---|---|---|---|---|---|---|---|---|---|---|---|---|---|---|---|---|
| 公稱壓力 MPa | 0.6、1.0、1.6、2.5 | |||||||||||||||||
| 連接方式 | 法蘭式、對夾式 | |||||||||||||||||
| 動作范圍 | 0~90° | |||||||||||||||||
| 密封形式 | 金屬密封、四氟密封、橡膠密封 | |||||||||||||||||
| 執行器型號 | GT、AT、AW系列單雙作用氣動執行器 | |||||||||||||||||
| 供氣壓力 | 0.4~0.7MPa | |||||||||||||||||
| 氣源接口 | G1/4"、G1/8"、G3/8"、G1/2" | |||||||||||||||||
| 環境溫度 | -30~+70℃ | |||||||||||||||||
| 作用形式 | 單作用執行機構、雙作用執行機構 | |||||||||||||||||
| 可配附件 | 定位器、電磁閥、空氣過濾減壓器、保位閥、行程開關、閥位傳送器、手輪機構等 | |||||||||||||||||
五、氣動開關蝶閥 執行器參數
| 執行器型號 | GT、AT、AR、AW系列單雙作用氣動執行器 |
|---|---|
| 供氣壓力 | 0.4~0.7MPa |
| 氣源接口 | G1/4"、G1/8"、G3/8"、G1/2" |
| 環境溫度 | -30~+70℃ |
| 作用形式 | 單作用執行機構:氣關式(B)--失氣時閥位開(FO);氣開式(K)--失氣時閥位關(FC) |
六、氣動開關蝶閥 性能規范
| 公稱通徑DN(mm) | DN50~1200 | ||||
|---|---|---|---|---|---|
| 公稱壓力 | PN(MPa) | 0.6 | 1.0 | 1.6 | 2.5 |
| 試驗壓力 | 強度試驗 | 0.9 | 1.5 | 2.4 | 3.75 |
| 密封試驗 | 0.66 | 1.1 | 1.76 | 2.75 | |
| 低壓氣密試驗 | 0.5~0.7 | ||||
| 適用介質 | 水、油、蒸氣、硝酸類(溫度≤200℃)、醋酸類(溫度≤200℃) | ||||
七、氣動開關蝶閥(對夾式) 結構圖
![]() |
八、氣動開關蝶閥(對夾式) 連接尺寸
| PN1.0~1.6MPa | |||||||
|---|---|---|---|---|---|---|---|
| 公稱 通徑 DN |
外型尺寸mm | 外型連接尺寸 | 執行器型號 | ||||
| L | L1 | L2 | H | D | N-D | ||
| 50 | 42 | 141/159 | 71/83 | 269/281 | 120 | 4-23 | AT-D-52/AT-S-63 |
| 65 | 44.7 | 159/211 | 83/95 | 283/303 | 136.2 | 4-26.5 | AT-D-63/AT-S-75 |
| 80 | 45.2 | 159/248 | 83/107 | 289/309 | 160 | 8-18 | AT-D-63/AT-S-88 |
| 100 | 52.1 | 211/269 | 95/123 | 320/338 | 185 | 4-24.5 | AT-D-75/AT-S-100 |
| 125 | 54.4 | 248/269 | 107/123 | 351/366 | 215 | 4-23 | AT-D-88/AT-S-100 |
| 150 | 55.8 | 269/345 | 123/152 | 380/405 | 238 | 4-25 | AT-D-100/AT-S-125 |
| 200 | 60.6 | 345/409 | 152/172 | 435/477 | 295 | 4-29 | AT-D-125/AT-S-145 |
| 250 | 65.6 | 409/438 | 172/187 | 509/552 | 357 | 4-29 | AT-D-145/AT-S-160 |
| 300 | 76.5 | 438/550 | 187/215 | 597/622 | 407 | 4-30 | AT-D-160/AT-S-190 |
| 350 | 76.5 | 550/600 | 215/240 | 653/688 | 467 | 4-30 | AT-D-190/AT-S-210 |
| 400 | 86.5 | 550/633 | 215/262 | 720/787 | 515 | 4-30 | AT-D-190/AT-S-240 |
| 450 | 105.6 | 600/633 | 240/262 | 772/858 | 565 | 4-30 | AT-D-210/AT-S-240 |
| 500 | 131.8 | 633/730 | 262/330 | 867/1004 | 620 | 4-33 | AT-D-240/AT-S-270 |
| 600 | 152 | 730/1700 | 330/- | 998/1220 | 725 | 4-36 | AT-D-270/AW-S-25 |
| 700 | 163 | 1320/1970 | - | 1116/1282 | 840 | 4-36 | AW-D-25/AW-S-28 |
| 800 | 188 | 1430/2700 | - | 1330/1007 | 950 | 4-39 | AW-D-28/AW-S-35 |
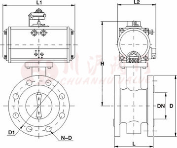
九、氣動開關蝶閥(法蘭式) 結構圖
![]() |
十、氣動開關蝶閥(法蘭式) 連接尺寸
| 主要外形尺寸-PN16、10(10bar) | |||||||
|---|---|---|---|---|---|---|---|
| 公稱 通徑 DN |
外形尺寸mm | 連接尺寸mm | |||||
| L | L1 | L2 | H | D | D | N-D | |
| 50 | 108 | 141 | 71 | 269 | 165 | 125 | 4-18 |
| 65 | 112 | 159 | 83 | 283 | 185 | 145 | 4-18 |
| 80 | 114 | 159 | 83 | 289 | 200 | 160 | 8-18 |
| 100 | 127 | 211 | 95 | 320 | 220 | 180 | 8-18 |
| 125 | 140 | 248 | 107 | 351 | 250 | 210 | 8-18 |
| 150 | 140 | 269 | 123 | 380 | 285 | 240 | 8-22 |
| 200 | 152 | 345 | 152 | 435 | 340 | 295 | 8-22 |
| 250 | 165 | 409 | 172 | 509 | 395 | 350 | 12-22 |
| 300 | 178 | 438 | 187 | 597 | 445 | 400 | 12-22 |
| 350 | 190 | 550 | 215 | 653 | 505 | 460 | 16-22 |
| 400 | 216 | 550 | 215 | 720 | 565 | 515 | 16-26 |
| 450 | 222 | 600 | 240 | 772 | 615 | 565 | 20-26 |
| 500 | 229 | 633 | 262 | 867 | 670 | 620 | 20-26 |
| 600 | 267 | - | - | - | 780 | 725 | 20-30 |
| 700 | 292 | - | - | - | 895 | 840 | 24-30 |
| 800 | 318 | - | - | - | 1015 | 950 | 24-33 |
十一、氣動開關蝶閥 制造標準
| 設計標準 | GB/T2238-1989 |
|---|---|
| 法蘭連接尺寸 | GB/T9113.1-2000;GB/T9115.1-2000;JB78 |
| 結構長度 | GB/T12221-1989 |
| 壓力試驗 | GB/T13927-2000;JB/T9092-1999 |
注:由于產品改進技術創新參數可能有一定變化,公司不另行通知,請咨詢公司技術部門索取新數據。
下載:上海川滬閥門有限公司-產品樣本-氣動開關蝶閥.PDF
氣動開關蝶閥鏈接:http://www.jueri.com.cn/products/qidongdiefa/qdkgdf.html
























